gt-cob2828植物玉米棒
SP1212 1812 1818.
力量:37.5-84.5W
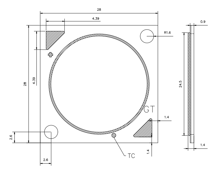
28 * 28mm(LES 24.5mm)
IEC / EN62471,ROHS
3步/ 5步亚当
产品详情
产品描述
植物COB LED
功率范围2-400W(各种封装尺寸可用1313-1 1313-2 1919 2828 3838)
这种新推出的PW(植物白色)系列针对园艺照明进行了优化,
在照明下优先考虑人类步,对HPS灯有效更换。
产品规格
| 产品类别 | 标准值 | 千分之一步评级 | ||||
| 典型.. (嘛) |
典型.vf. (v) |
功率 (w) |
LM / W. (@ typ.if) |
典型.. (嘛) |
LM / W. | |
| gt-cob2828pw2144037110 SP1212. |
1080. | 34.8. | 37.5 | 110-120 | 2160. | 90-100 |
| gt-cob2828pw2216056110 SP1812. |
1080. | 52.2 | 56.3. | 110-120 | 2160. | 90-100 |
| GT-COB2828PW2324084110 SP1818 |
1620. | 52.2 | 84.5 | 110-120 | 3240. | 90-100 |
光谱参考

产品尺寸
